Việc nắm vững sơ đồ tủ lạnh Sanyo chính là chìa khóa vàng giúp bạn hiểu rõ nguyên lý hoạt động cũng như tự mình khắc phục các sự cố cơ bản ngay tại nhà một cách hiệu quả. Bất kỳ người thợ kỹ thuật hay người dùng nào muốn kiểm tra tủ lạnh đều cần phải xem qua bản vẽ quan trọng này để xác định đúng vị trí linh kiện hư hỏng. Bài viết sau đây sẽ cung cấp kiến thức toàn diện từ cách đọc ký hiệu đến phương pháp sửa chữa thực tế dựa trên sơ đồ mạch điện.

Contents
- 1. Tổng quan về sơ đồ tủ lạnh Sanyo và khi nào cần xem
- 2. Cấu tạo tổng thể tủ lạnh Sanyo nhìn từ sơ đồ
- 3. Sơ đồ mạch điện tủ lạnh Sanyo và chức năng từng linh kiện
- 4. Phân biệt sơ đồ tủ lạnh Sanyo thường và Sanyo inverter
- 5. Cách đọc sơ đồ tủ lạnh Sanyo từng bước cho người mới
- 6. Ứng dụng sơ đồ tủ lạnh Sanyo trong kiểm tra và sửa lỗi tại nhà
- 7. Lưu ý an toàn khi thao tác dựa trên sơ đồ tủ lạnh Sanyo
- 8. Kinh nghiệm sử dụng tủ lạnh Sanyo bền hơn dựa trên hiểu biết về sơ đồ
- 9. Câu hỏi thường gặp về sơ đồ tủ lạnh Sanyo
1. Tổng quan về sơ đồ tủ lạnh Sanyo và khi nào cần xem
Sơ đồ kỹ thuật là bản đồ chỉ dẫn chi tiết giúp chúng ta hình dung được sự kết nối giữa các bộ phận bên trong thiết bị một cách rõ ràng nhất. Khi bạn sở hữu một chiếc tủ lạnh Sanyo và gặp trục trặc thì việc đầu tiên là tìm đến tài liệu kỹ thuật này. Việc hiểu rõ sơ đồ tủ lạnh Sanyo giúp quá trình chẩn đoán bệnh chính xác hơn rất nhiều so với việc đoán mò.
Sơ đồ tủ lạnh Sanyo là gì? Khác gì so với “mạch điện tủ lạnh”?
Nhiều người thường nhầm lẫn giữa khái niệm sơ đồ nguyên lý chung và sơ đồ mạch điện chi tiết dù chúng có mối liên hệ mật thiết. Sơ đồ tủ lạnh Sanyo là một thuật ngữ bao quát thể hiện cả cấu trúc bố trí các khoang chứa lẫn đường đi của hệ thống làm lạnh và hệ thống điện điều khiển. Nó cho bạn cái nhìn tổng thể về vị trí vật lý của máy nén hay dàn lạnh và dàn nóng.
Ngược lại mạch điện tủ lạnh lại đi sâu vào chi tiết các đường dây dẫn điện và cách đấu nối các linh kiện điện tử với nhau. Mạch điện cho biết dòng điện chạy từ nguồn qua các rơ le và cảm biến rồi đến máy nén như thế nào. Hiểu đơn giản thì sơ đồ tủ lạnh là bản vẽ nhà còn mạch điện là bản vẽ đường dây điện đi ngầm trong tường. Cả hai đều cần thiết để bạn có cái nhìn trọn vẹn về thiết bị.

Những trường hợp bạn bắt buộc nên tham khảo sơ đồ tủ lạnh Sanyo
Có những tình huống cụ thể mà việc xem xét kỹ lưỡng sơ đồ kỹ thuật là bước bắt buộc không thể bỏ qua để đảm bảo an toàn và hiệu quả sửa chữa. Bạn hãy tìm ngay sơ đồ tủ lạnh Sanyo nếu gặp các vấn đề dưới đây:
- Tủ lạnh Sanyo không chạy không lên nguồn hoặc nhảy aptomat liên tục dù đã cắm điện đúng cách
- Tủ chạy nhưng không lạnh hoặc lạnh rất yếu sau khi đã vệ sinh và chỉnh lại nhiệt độ
- Bạn chuẩn bị thay thermostat timer quạt dàn lạnh hay rơ le bảo vệ và cần đấu dây chuẩn
- Tủ từng bị cháy dây chập mạch cần đấu lại dây nguồn và các điểm kết nối theo đúng thiết kế
- Bạn là thợ mới học nghề muốn quan sát đầy đủ liên kết giữa các linh kiện trước khi đo kiểm
2. Cấu tạo tổng thể tủ lạnh Sanyo nhìn từ sơ đồ
Khi nhìn vào sơ đồ tủ lạnh Sanyo bạn sẽ thấy các khối chức năng được sắp xếp rất rõ ràng và liên kết với nhau bằng đường dây hoặc ống dẫn gas. Mỗi khối đóng một vai trò riêng trong việc tạo lạnh phân phối gió và bảo vệ an toàn cho toàn bộ hệ thống trong suốt quá trình hoạt động.
Các khối chính trong sơ đồ tủ lạnh Sanyo
Trong sơ đồ tủ lạnh Sanyo thường có một số khối chính mà bạn cần nhớ để dễ theo dõi hơn. Đầu tiên là khối nguồn gồm dây cấp điện cầu chì rơ le bảo vệ đảm nhiệm an toàn điện cho tủ. Tiếp theo là khối làm lạnh với máy nén dàn nóng dàn lạnh và ống dẫn gas tạo nên vòng tuần hoàn lạnh. Ngoài ra còn có khối điều khiển và cảm biến gồm thermostat timer công tắc cửa cùng cảm biến nhiệt giúp tủ tự điều chỉnh chế độ làm việc.
Sơ đồ bố trí ngăn đông ngăn mát và luồng gió lạnh
Sơ đồ tủ lạnh Sanyo không chỉ có đường điện mà còn thể hiện cách bố trí ngăn đông và ngăn mát cùng luồng gió lạnh. Thông thường dàn lạnh nằm ở khu vực ngăn đông và quạt sẽ đẩy khí lạnh xuống ngăn mát thông qua các cửa gió. Khi hiểu luồng gió đi như thế nào bạn sẽ dễ dàng sắp xếp thực phẩm sao cho không che kín lỗ gió và giúp tủ làm lạnh đều hơn.

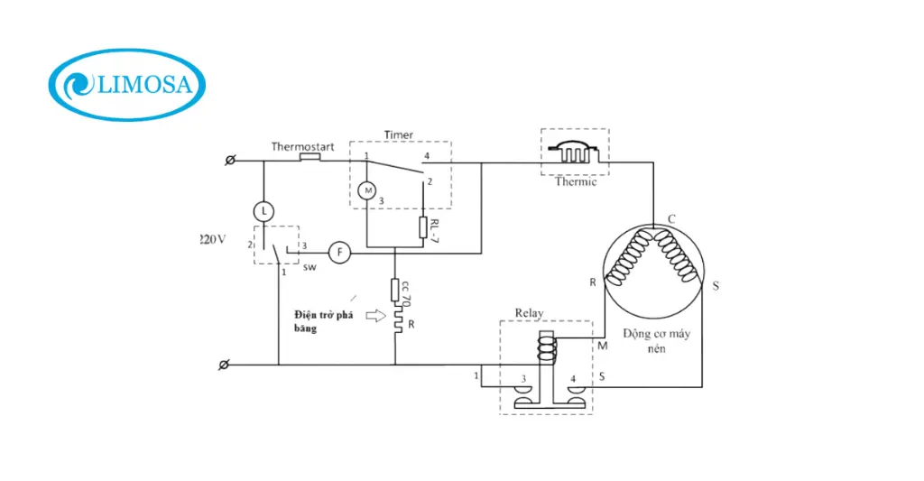
3. Sơ đồ mạch điện tủ lạnh Sanyo và chức năng từng linh kiện
Khi tìm hiểu sâu hơn về sơ đồ tủ lạnh Sanyo phần quan trọng nhất chính là mạch điện. Mạch điện cho bạn biết nguồn điện đi đâu qua linh kiện nào và thiết bị nào sẽ chịu trách nhiệm đóng ngắt trong từng trạng thái hoạt động. Nhờ đó bạn có thể suy luận được nguyên nhân khi tủ gặp trục trặc mà không cần tháo dỡ toàn bộ hệ thống.
Đọc sơ đồ nguồn điện cầu chì và rơ le bảo vệ
Trên sơ đồ tủ lạnh Sanyo đường nguồn thường bắt đầu từ phích cắm đi vào cầu chì và rơ le bảo vệ trước khi đến các bộ phận khác. Cầu chì có trách nhiệm ngắt mạch khi xảy ra chập cháy còn rơ le bảo vệ sẽ dừng cấp điện cho máy nén khi dòng quá lớn. Khi tủ không lên nguồn bạn nên lần theo sơ đồ từ phích cắm đến cầu chì và rơ le để kiểm tra xem vị trí nào đang gặp sự cố.
Bộ điều nhiệt thermostat cảm biến và công tắc cửa trên sơ đồ
Trong sơ đồ tủ lạnh Sanyo bộ điều nhiệt và cảm biến nhiệt luôn xuất hiện trên đường điều khiển cấp điện cho máy nén và quạt. Khi tủ đủ lạnh thermostat sẽ ngắt điện để máy nén nghỉ và khi nhiệt độ tăng trở lại mạch sẽ đóng và cho máy chạy tiếp. Bên cạnh đó công tắc cửa thường nối với đèn ngăn mát và quạt dàn lạnh giúp tắt quạt khi cửa mở để hạn chế thất thoát hơi lạnh.
Timer điện trở xả tuyết và mạch xả tuyết tự động
Một phần quan trọng trên sơ đồ tủ lạnh Sanyo là mạch xả tuyết giúp dàn lạnh không bị đóng đá dày. Timer sẽ luân phiên cấp điện cho máy nén và điện trở xả tuyết theo chu kỳ nhất định. Khi đến thời gian xả tuyết timer chuyển mạch sang cấp điện cho điện trở làm tan lớp tuyết trên dàn lạnh sau đó quay lại chế độ làm lạnh bình thường. Nếu tủ bị đóng tuyết liên tục bạn nên nhìn trên sơ đồ để xác định vị trí timer và điện trở xả tuyết để kiểm tra.
Máy nén quạt dàn lạnh và đường điều khiển trên sơ đồ
Máy nén và quạt dàn lạnh là hai linh kiện thường xuyên xuất hiện trong mọi sơ đồ tủ lạnh Sanyo. Máy nén nhận điện thông qua rơ le khởi động và rơ le bảo vệ trong khi quạt dàn lạnh thường được điều khiển đồng thời với máy nén thông qua thermostat và công tắc cửa. Nhờ xem sơ đồ bạn sẽ biết quạt có chung dây nguồn với bộ phận nào từ đó đo kiểm chính xác khi quạt không chạy hoặc chạy không ổn định.

4. Phân biệt sơ đồ tủ lạnh Sanyo thường và Sanyo inverter
Khi xem sơ đồ tủ lạnh Sanyo bạn sẽ thấy sự khác biệt khá rõ giữa tủ cơ truyền thống và tủ inverter. Tủ thường có mạch điện đơn giản chủ yếu dùng rơ le và timer cơ trong khi tủ inverter sử dụng bo mạch điều khiển hiện đại và máy nén biến tần. Hiểu đúng sự khác biệt này sẽ giúp bạn tránh áp dụng sai cách đo kiểm khi xử lý lỗi.
Điểm giống nhau trong cấu trúc mạch của hai dòng tủ
Mặc dù khác về công nghệ nhưng sơ đồ tủ lạnh Sanyo thường và inverter vẫn có nhiều điểm chung. Để bạn dễ hình dung hơn có thể kể đến những nét tương đồng sau.
- Đều có khối nguồn với dây cấp điện cầu chì rơ le bảo vệ đảm bảo an toàn cho hệ thống
- Đều dùng máy nén dàn nóng dàn lạnh và ống dẫn gas tạo thành vòng tuần hoàn làm lạnh
- Đều có thermostat hoặc cảm biến nhiệt để kiểm soát nhiệt độ bên trong tủ lạnh
- Đều bố trí quạt dàn lạnh để phân phối khí lạnh đều giữa ngăn đông và ngăn mát
- Đều trang bị mạch xả tuyết để hạn chế hiện tượng đóng tuyết gây cản trở luồng gió lạnh
Những khác biệt quan trọng trên sơ đồ mạch inverter Sanyo
Sơ đồ tủ lạnh Sanyo inverter thể hiện rõ sự hiện diện của bo mạch điều khiển trung tâm và khối biến tần. Để tránh nhầm lẫn với tủ cơ bạn nên chú ý một số điểm khác biệt nổi bật sau.
- Máy nén inverter thường được cấp điện qua mạch biến tần không đấu trực tiếp như máy nén thường
- Sơ đồ xuất hiện thêm nhiều cảm biến nhiệt và cảm biến vị trí được nối về bo điều khiển
- Các đường dây điều khiển thường là tín hiệu mức thấp chứ không phải đường điện công suất lớn
- Bo mạch có nhiều chân ký hiệu riêng cho từng cảm biến quạt và máy nén cần đọc kỹ ký hiệu
- Khi đo kiểm phải tuân thủ hướng dẫn của hãng tránh đấu tắt hoặc kích trực tiếp gây hỏng bo
Nên lưu ý gì khi đọc sơ đồ mạch tủ lạnh Sanyo inverter
Khi tiếp cận sơ đồ tủ lạnh Sanyo inverter bạn nên đọc chậm rãi từng khối chức năng thay vì cố gắng nắm toàn bộ trong một lần. Hãy xác định rõ khu vực cần kiểm tra như khu vực máy nén hay quạt rồi lần theo từng đường dây trên sơ đồ. Đồng thời bạn không nên tự ý đấu tắt hoặc thay đổi dây điều khiển vì chỉ cần sai một chân tín hiệu cũng có thể làm hỏng bo mạch hoặc gây chập cháy.
5. Cách đọc sơ đồ tủ lạnh Sanyo từng bước cho người mới
Đối với người mới bắt đầu thì việc nhìn vào một rừng dây điện chằng chịt trên bản vẽ quả thực là một thử thách lớn. Tuy nhiên nếu bạn tuân thủ các bước đọc sơ đồ tủ lạnh Sanyo một cách trình tự thì mọi thứ sẽ trở nên đơn giản hơn nhiều.
Chuẩn bị cần có trước khi bắt đầu xem sơ đồ
Trước khi bắt tay vào việc nghiên cứu sơ đồ và tháo lắp tủ lạnh bạn cần chuẩn bị đầy đủ dụng cụ hỗ trợ. Một sự chuẩn bị kỹ lưỡng sẽ giúp quá trình kiểm tra diễn ra an toàn và chính xác hơn.
- Tìm thấy bản in sơ đồ mạch điện thường dán phía sau lưng tủ lạnh.
- Chuẩn bị đồng hồ vạn năng để đo thông mạch và điện áp hoạt động.
- Sắm sẵn tua vít và kìm điện cùng băng dính cách điện chất lượng cao.
- Đảm bảo khu vực làm việc đủ ánh sáng để nhìn rõ các màu dây điện.
- Chụp ảnh lại hiện trạng dây điện thực tế trước khi tháo bất cứ thứ gì.
Những ký hiệu phổ biến trên sơ đồ tủ lạnh Sanyo cần nhớ
Mỗi hãng sản xuất sẽ có một vài ký hiệu riêng nhưng nhìn chung các ký hiệu điện tử đều tuân theo chuẩn quốc tế. Việc ghi nhớ các ký hiệu viết tắt trên sơ đồ tủ lạnh Sanyo giúp bạn đọc mạch nhanh như đọc sách.
- Ký hiệu C hoặc COMP đại diện cho máy nén (Compressor).
- Ký hiệu F hoặc FAN đại diện cho quạt gió (Fan Motor).
- Ký hiệu H hoặc HT đại diện cho điện trở xả đá (Heater).
- Ký hiệu TH đại diện cho bộ điều nhiệt (Thermostat) hoặc cảm biến nhiệt.
- Ký hiệu TM đại diện cho đồng hồ thời gian (Timer).
- Ký hiệu OLP đại diện cho rơ le bảo vệ quá tải (Overload Protector).
- Máy nén thường được biểu thị bằng hình tròn kèm các chân đấu dây trong khi quạt dàn lạnh là hình mô tơ nhỏ có cánh quạt. Cầu chì điện trở xả tuyết và rơ le được vẽ bằng các ký hiệu riêng nhưng chỉ cần ghi chú lại một lần bạn sẽ nhớ rất nhanh cho những lần sau.

6. Ứng dụng sơ đồ tủ lạnh Sanyo trong kiểm tra và sửa lỗi tại nhà
Sơ đồ tủ lạnh Sanyo không chỉ dành cho thợ mà còn rất hữu ích với người dùng muốn tự kiểm tra lỗi cơ bản. Bằng cách kết hợp quan sát thực tế và đối chiếu với sơ đồ bạn có thể khoanh vùng nhanh vấn đề mà không cần tháo dỡ quá nhiều chi tiết. Cách này giúp tiết kiệm thời gian và giảm nguy cơ làm hỏng thêm linh kiện khác.
Dùng sơ đồ để kiểm tra khi tủ lạnh Sanyo không chạy
Khi tủ lạnh Sanyo không chạy sơ đồ sẽ là bản đồ dẫn đường để bạn tìm ra điểm mất điện. Bạn nên đi theo một trình tự rõ ràng để tránh bỏ sót bước kiểm tra quan trọng.
- Đầu tiên hãy xem từ phích cắm đến cầu chì và rơ le bảo vệ xem vị trí nào bị ngắt
- Tiếp đó kiểm tra thermostat hoặc cảm biến xem có đang mở mạch khiến máy nén không nhận điện
- Đối chiếu chân nguồn vào máy nén để xác định có đủ điện áp hay không
- Nếu đã có điện đến máy nén mà máy vẫn im lặng có thể block bị hỏng và cần thợ chuyên nghiệp
- Trong suốt quá trình nhớ luôn rút điện trước khi tháo nắp kiểm tra để đảm bảo an toàn
Dùng sơ đồ để xử lý lỗi tủ lạnh Sanyo chạy nhưng không lạnh
Nếu tủ lạnh Sanyo vẫn chạy nhưng không đủ lạnh sơ đồ sẽ giúp bạn nhận ra liệu vấn đề nằm ở phần điện hay phần lạnh. Trước hết hãy xem trên sơ đồ đường cấp điện cho quạt dàn lạnh và xác định xem quạt có nhận điện đúng không. Nếu quạt không chạy thì khí lạnh không thể phân phối đều dẫn đến ngăn mát yếu lạnh. Trong trường hợp quạt vẫn làm việc bạn cần chú ý đến mạch xả tuyết và bộ điều nhiệt vì chúng có thể khiến dàn lạnh bị bọc tuyết hoặc ngắt máy sớm hơn bình thường.
Dùng sơ đồ để nhận diện nhanh các lỗi thường gặp khác
Ngoài hai tình huống chính sơ đồ tủ lạnh Sanyo còn hỗ trợ bạn xử lý nhiều lỗi nhỏ khác. Để việc theo dõi được thuận lợi hơn bạn có thể ghi nhớ các gợi ý sau.
- Khi đèn trong tủ không sáng hãy xem đường dây từ công tắc cửa đến bóng đèn trên sơ đồ
- Nếu tủ bị đóng tuyết dày cần đối chiếu vị trí timer và điện trở xả tuyết để đo kiểm
- Khi quạt phát tiếng ồn hoặc chạy không đều hãy xem mạch cấp điện và các điểm nối quanh quạt
- Nếu tủ thỉnh thoảng có mùi khét nhẹ cần kiểm tra lại phần dây nguồn cầu chì và điểm tiếp xúc
- Trường hợp tủ thường xuyên chạy liên tục không ngắt hãy nhìn lại sơ đồ liên quan đến thermostat và cảm biến nhiệt
Xem thêm: cách vệ sinh tủ lạnh đóng tuyết chuẩn xác.

7. Lưu ý an toàn khi thao tác dựa trên sơ đồ tủ lạnh Sanyo
An toàn điện là ưu tiên hàng đầu khi bạn làm việc với bất kỳ thiết bị điện gia dụng nào. Đừng bao giờ chủ quan khi thao tác với sơ đồ tủ lạnh Sanyo và thực tế mạch điện vì tai nạn có thể xảy ra bất cứ lúc nào.
Các nguyên tắc an toàn điện không được bỏ qua
Tuân thủ nghiêm ngặt các quy tắc an toàn giúp bảo vệ bản thân bạn và tránh gây hư hỏng nặng hơn cho thiết bị. Hãy luôn ghi nhớ những điều sau đây trước khi chạm vào tuốc nơ vít.
- Luôn rút phích cắm điện ra khỏi ổ cắm trước khi tháo vỏ máy kiểm tra.
- Sử dụng bút thử điện để kiểm tra rò rỉ điện ra vỏ tủ trước khi chạm tay vào.
- Giữ tay khô ráo và đeo găng tay cách điện khi thao tác với dây điện.
- Xả tụ điện trên bo mạch inverter trước khi đo đạc để tránh bị giật tích điện.
- Tuyệt đối không đấu tắt các thiết bị bảo vệ an toàn như cầu chì hay rơ le nhiệt.
Khi nào nên dừng tự sửa và gọi thợ chuyên nghiệp?
Không phải lỗi nào bạn cũng có thể tự khắc phục được dù đã nắm rõ sơ đồ trong tay. Có những giới hạn kỹ thuật đòi hỏi trang thiết bị chuyên dụng và kinh nghiệm lâu năm.
- Khi liên quan đến nạp gas hoặc hàn ống đồng bị thủng cần thợ có nghề.
- Khi bo mạch điện tử bị cháy nổ linh kiện phức tạp không thể mua thay thế.
- Khi máy nén bị hỏng phần cơ khí bên trong cần thay thế lốc mới.
- Khi không thể xác định được nguyên nhân dù đã kiểm tra hết các bước cơ bản.
- Khi bạn cảm thấy không tự tin và sợ làm hỏng thêm thiết bị đắt tiền.

8. Kinh nghiệm sử dụng tủ lạnh Sanyo bền hơn dựa trên hiểu biết về sơ đồ
Từ việc hiểu sơ đồ tủ lạnh Sanyo chúng ta có thể rút ra những bài học quý giá để sử dụng tủ lạnh bền bỉ và tiết kiệm điện năng hơn.
- Vệ sinh dàn nóng và dàn lạnh định kỳ để quá trình trao đổi nhiệt tốt hơn.
- Không chất quá nhiều thực phẩm che kín các cửa gió hồi và gió thổi ra.
- Đặt tủ lạnh nơi thoáng mát cách xa tường để dàn nóng tản nhiệt hiệu quả.
- Kiểm tra gioăng cao su cửa tủ thường xuyên để tránh thất thoát hơi lạnh.
- Sử dụng ổn áp nếu điện áp khu vực nhà bạn thường xuyên trồi sụt thất thường.
9. Câu hỏi thường gặp về sơ đồ tủ lạnh Sanyo
Dưới đây là những thắc mắc phổ biến liên quan đến sơ đồ tủ lạnh Sanyo và cách sử dụng mà nhiều khách hàng hay đặt ra. Mỗi câu trả lời đều được tóm gọn dễ hiểu giúp bạn nắm ý nhanh chóng và áp dụng vào thực tế sử dụng hàng ngày.
Câu hỏi 1: Sơ đồ tủ lạnh Sanyo có khó đọc với người mới không
Sơ đồ tủ lạnh Sanyo sẽ dễ hiểu hơn nếu bạn chia nhỏ thành từng khối như nguồn làm lạnh và điều khiển. Bạn chỉ cần kiên nhẫn đi theo đường dây từ nguồn đến linh kiện thì sẽ dần quen.
Câu hỏi 2: Tôi có thể tự sửa tủ dựa vào sơ đồ tủ lạnh Sanyo không
Bạn có thể xử lý các lỗi đơn giản như kiểm tra cầu chì đèn quạt hoặc thermostat. Tuy nhiên với lỗi liên quan đến bo mạch hoặc máy nén bạn vẫn nên nhờ kỹ thuật viên chuyên nghiệp.
Câu hỏi 3: Tìm sơ đồ tủ lạnh Sanyo đúng model bằng cách nào
Bạn có thể tra tem thông số trên tủ để biết mã model rồi tìm sơ đồ tương ứng trên trang hỗ trợ kỹ thuật. Ngoài ra bạn có thể liên hệ trung tâm bảo hành hoặc đơn vị sửa chữa uy tín để được cung cấp.
Câu hỏi 4: Sơ đồ tủ lạnh Sanyo thường và inverter khác nhau ở điểm nào
Tủ thường có mạch điện đơn giản chủ yếu là rơ le và timer cơ trong khi inverter dùng bo mạch và biến tần điều khiển. Khi xem sơ đồ bạn sẽ thấy tủ inverter có nhiều cảm biến và chân tín hiệu hơn.
Câu hỏi 5: Khi tủ lạnh Sanyo không chạy tôi nên xem phần nào trên sơ đồ trước
Bạn nên nhìn vào đường nguồn từ phích cắm qua cầu chì và rơ le bảo vệ trước. Sau đó mới kiểm tra thermostat và đường cấp điện đến máy nén để xác định vị trí mất điện.
Câu hỏi 6: Khi tủ Sanyo chạy nhưng không lạnh sơ đồ giúp ích ra sao
Sơ đồ cho bạn thấy đường cấp điện đến quạt dàn lạnh và mạch xả tuyết để kiểm tra. Từ đó bạn có thể phát hiện quạt không chạy hay timer xả tuyết hoạt động sai gây giảm hiệu quả làm lạnh.
Câu hỏi 7: Tôi nên nhờ đơn vị nào hỗ trợ khi không tự xử lý được
Khi bạn đã xem sơ đồ tủ lạnh Sanyo mà vẫn chưa tìm ra nguyên nhân bạn nên liên hệ đơn vị sửa chữa uy tín. Một địa chỉ được nhiều khách hàng tin tưởng là Sửa Điện Lạnh Sài Gòn Limosa với đội ngũ kỹ thuật có kinh nghiệm lâu năm.
Hiểu rõ sơ đồ tủ lạnh Sanyo không chỉ giúp bạn trở thành người tiêu dùng thông thái mà còn hỗ trợ đắc lực trong việc bảo trì thiết bị gia đình. Hy vọng bài viết đã mang lại cho bạn những kiến thức bổ ích và thực tế. Nếu bạn gặp khó khăn trong quá trình kiểm tra hoặc cần sự hỗ trợ từ những chuyên gia hàng đầu, hãy liên hệ ngay với Sửa Điện Lạnh Sài Gòn Limosa. Chúng tôi luôn sẵn sàng đồng hành cùng bạn để chăm sóc chiếc tủ lạnh thân yêu hoạt động bền bỉ nhất.









